| 主要特点 |
| ● 智能化非线性补偿,wn****分度号输入,可匹配所有热电阻与热电偶 。 |
| ● ******概念计算机数字自动调校,******全开放用户设定界面。 |
| ● 支持网络通讯,高精度全数字量传输,二线制RS-485接口,可挂1~64点。 |
| ● 使用方便,组态容易。界面友好的温度设定软件swp-T101soft兼容Windows3.1/3.11/95/98/ME |
| ● 具有冷端补偿(T/C输入时), 可应用于各种恶劣环境-25~70℃。 |
| ● 具有******的性价比,价格相当于模拟式变送器。 |
| 主要技术指标 |
| 输入信号 RTD : PT100、PT100.0、CU50、CU100 |
| T/C : B、S、K、E、J、T、WRe |
| 精 度 RTD ±0.2%FS |
| T/C ±0.3%FS |
| 供电电压 8~36VDC |
分 辨 率 5μA
|
极限输出信号 ***小:3.8 mA ***大:20.5mA |
|
|
环境温度 -40~85℃ |
|
工作温度 -40~85℃ |
|
湿 度 0~95%RH,不冷凝 |
|
温 漂 ≤±0.25℃/25℃ |
|
稳 定 性 0.2%/年 |
|
阻 抗 ≥10MΩ |
|
重 量 50g |
|
安装方式 接线盒安装 |
|
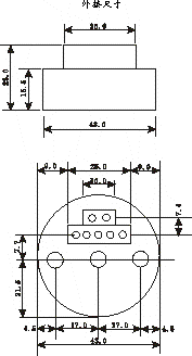
送变送器外观及尺寸 |
|
| |
| 接线方式 |
|
热电阻输入接线 |
热电偶输入接线 |
通讯方式接线 |
二线制接线方式 |
|
|
|
|
| |
| 特殊分度号订货时请注明 |
| 调试方法 |
| 1.安装SWP-T101 Soft软件。 |
| 2.通过编程器连接PC和温度变送器。 |
| 3.进入SWP-T101 Soft编程菜单,选择相关参数。 |
| SWP智能万用温度变送器型谱 |
|
型号 |
代 码 |
说 明 |
|
SWP T101- |
|
|
|
输入信号 |
|
|
|
|
|
|
分度号 |
□ |
|
|
见输入类型表 |
|
通讯方式 |
|
|
|
|
|
输出量程下限 |
|
|
□ |
对应4MA输出量程 |
|
输出量程上限 |
□ |
对应20MA输入量程 | |
| 输入类型 |
|
代码 |
输入类型 |
测量范围 |
代码 |
输入类型 |
测量范围 |
|
01 |
B |
400 ~1800 |
07 |
WRe |
0~2300 |
|
02 |
S |
0 ~1600 |
08 |
pt100 |
200~650 |
|
03 |
K |
0~1300 |
09 |
pt100.1 |
-99.9~199.9 |
|
04 |
E |
0~1000 |
10 |
cu50 |
-50.0~150.0 |
|
05 |
T |
-199.9~320.0 |
11 |
cu100 |
-50.0~150.0 |
|
06 |
J |
0~1200 |
18 |
特殊规格 |
用户特定 |
|
| 造型举例 |
| SWP-T101TR08/0~300℃ |
| SWP智能万用温度变送器分度号PT100,输出量程0~300℃,对应4~20MA输出 |